Для коммутации однофазной нагрузки с гарантированным запасом по току: max Iкоммут.=600A, Uкоммут.=60…1000VAC, Uупр=3…32VDC
Технические характеристики твердотельных реле серии GaDH-xxx120.ZD3 и GwDH-xxx120.ZD3
| Вид коммутируемого тока | переменный ток |
| Тип коммутируемой сети | однофазная, трехфазная (устанавливается одно ТТР на каждую фазу) по схеме «звезда», «звезда с нейтралью», «треугольник» |
| Тип коммутируемой нагрузки | резистивная (до 600 А) индуктивная (до 80 А) |
| Коммутируемое напряжение | 60…1000 VAC |
| Управляющий сигнал | напряжение 3...32 VDC |
| Пороги вкл/выкл управляющего сигнала | Порог включения: 3 VDC |
| Порог выключения: 1 VDC | |
| Тип выходных силовых элементов | тиристоры SCR-типа на керамической подложке |
| Вид коммутации | коммутация при переходе через 0 |
| Максимальное пиковое напряжение | 16 класс (1600 VAC) |
| Потребляемый ток в цепи управления | 5…25 мА |
| Падение напряжения на реле в коммутируемой цепи | ≤1,6 VAC |
| Ток утечки в коммутируемой цепи | ≤10 мА |
| Время переключения реле | ≤10 мс (при частоте 50 Гц) |
| Сопротивление изоляции | 500 МОм (при 500 VDC) |
| Электрическая прочность изоляции | Соответствует стандартам UL1577 (2500 V в течение одной минуты) |
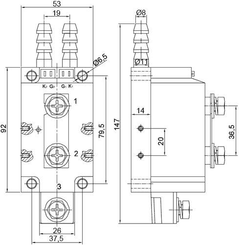
Корпус и рекомендации по монтажу твердотельных реле серии GaDH-xxx120.ZD3 и GwDH-xxx120.ZD3
| GaDH-500120.ZD3 GaDH-600120.ZD3 | GaDH-800120.ZD3 | GwDH-500120.ZD3 GwDH-600120.ZD3 | GwDH-800120.ZD3 | |
| Габаритные размеры и масса | 115×53×62 мм ≤1800 г | 127×63×72 мм ≤1800 г | 147×53×68,5 мм ≤1800 г | 160×63×72 мм ≤1800 г |
| Материал основания | медь, гальванизированная никелем | |||
| Охлаждение | воздушное | водяное | ||
| Индикация | светодиод для контроля наличия входного сигнала | |||
| Тип монтажа | крепление винтами на радиатор с вентилятором | |||
| Рекомендации по схеме включения | при управлении индуктивной нагрузкой необходимо установить варистор параллельно цепи нагрузки (см. схему включения) | |||
Рекомендуемые токи нагрузки твердотельных реле серии GaDH-xxx120.ZD3 и GwDH-xxx120.ZD3
| Модификация ТТР | Рекомендуемый ток нагрузки | Максимально допустимый ток нагрузки | |
| резистивная нагрузка | индуктивная нагрузка | ||
| GaDH-xxx120.ZD3 | |||
| GaDH-500120.ZD3 | 375 А | 50 А | 500 А |
| GaDH-600120.ZD3 | 450 А | 60 А | 600 А |
| GaDH-800120.ZD3 | 600 А | 80 А | 800 А |
| GwDH-xxx120.ZD3 | |||
| GwDH-500120.ZD3 | 375 А | 50 А | 500 А |
| GwDH-600120.ZD3 | 450 А | 60 А | 600 А |
| GwDH-800120.ZD3 | 600 А | 80 А | 800 А |
Рекомендуемые радиаторы охлаждения твердотельных реле серии GaDH-xxx120.ZD3 и GwDH-xxx120.ZD3
При коммутации токов свыше 5 А необходимо применение радиаторов охлаждения.
| Модификация ТТР | Макс. допустимый ток нагрузки на каждое ТТР по каждой фазе | Количество ТТР, монтируемых на радиатор | Рекомендуемая модель радиатора |
| GaDH-800120.ZD3 GwDH-800120.ZD3 | 800 А* | 1 | РТР034 |
| GaDH-800120.ZD3 GwDH-800120.ZD3 | 800 А* | 1 | РТР036 |
| GaDH-800120.ZD3 GwDH-800120.ZD3 | 800 А* | 1 | РТР038 |
| GaDH-600120.ZD3 GwDH-600120.ZD3 | 600 А* | 2 | |
| GaDH-500120.ZD3 GwDH-500120.ZD3 | 500 А* | ||
| GaDH-800120.ZD3 GwDH-800120.ZD3 | 800 А* | 1 | РТР039 |
| GaDH-600120.ZD3 GwDH-600120.ZD3 | 600 А* | 3 | |
| GaDH-500120.ZD3 GwDH-500120.ZD3 | 500 А* | ||
| GaDH-600120.ZD3 GwDH-600120.ZD3 | 600 А* | 4 | РТР040 |
| GaDH-500120.ZD3 GwDH-500120.ZD3 | 500 А* |
* - при использовании дополнительных вентиляторов обдува.
Габаритные размеры GwDH-600120.ZD3
