PYF-022BE/2 KIPPRIBOR

Производитель: KIPPRIBOR
Номер по каталогу: 154345 Производитель: KIPPRIBOR Цена: 311.10 q ( с НДС ) Описание: 2-ярусная монтажная колодка с винтовыми клеммами для установки на DIN-рейку 2-контактных промежуточных реле различных производителей. Внимание! Кратность заказа 20 шт!
  • Техническое описание
  • Документация

PYF-022BE/2

Колодки монтажные для 2-контактных промежуточных реле:

  • Предназначены для установки на DIN-рейку 2-контактных промежуточных реле различных производителей;
  • Изготавливаются из негорючего, прочного и упругого материала (ПА66 + графит), устойчивого к ошибкам при монтаже и эксплуатации;
Модель PYF-022BE/2 (черная)
PYF-022BE/2WH (белая)
PYF-022BE/2BL (голубая)
PYF-022BE/3

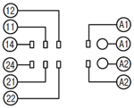
Монтажные колодки KIPPRIBOR PYF-022 и -122 для 2-контактных промежуточных реле схема подключения

Схема подключения

PYF-022BE/3
Описание 2-ярусная монтажная колодка с винтовыми клеммами 3-ярусная монтажная колодка с винтовыми клеммами
Габаритные размеры PYF-022BE/2 PYF-022BE/3
Цоколевка
Номинальный ток и напряжение коммутации 12 А при 300 VAC 12 А при 300 VAC
Возможные варианты упаковки Картонная коробка (20 шт./775 г)
Транспортная коробка (400 шт./15,5 кг)
Картонная коробка (20 шт./900 г)
Транспортная коробка (320 шт./15,7 кг)

Перечень реле, совместимых с колодками KIPPRIBOR PYF-022BE/2, PYF-022BE/3:

Производитель Серия реле
KIPPRIBOR MR
Schneider Electric RSB
Finder 40.52
Relpol RM84
Omron G2R2
Phoenix Contact REL-MR-…21-21
Goodsky EMI-SS
Siemens
Idec RQ
TDM Electric
ИЭК
ЭКФ
SHRACK RT1
ABB CR-P