КА5132Ex-00 КонтрАвт

Производитель: КонтрАвт
Номер по каталогу: 82343 Производитель: КонтрАвт Цена: По запросу Описание: Барьер искробезопасности активный, двухканальный передатчик сигнала (4…20) мА от активных источников
  • Техническое описание
  • Документация

Барьеры искробезопасности (барьеры искрозащиты) обеспечивают передачу сигналов (4…20) мА от источников сигнала (контроллеров, регуляторов, иных приборов), расположенных во взрывобезопасной зоне, к приёмникам (мембранным исполнительным механизмам, частотным приводам, регуляторам мощности и т.п.), расположенным во взрывоопасных зонах

Барьеры работают с активными источниками сигнала по двухпроводной схеме подключения.

Выходной сигнал барьера искрозащиты ‒ токовый активный (4…20) мА, дополнительный источник питания для питания выходных цепей не требуется.

Барьеры искрозащиты обеспечивают гальваническое разделение входных сигнальных цепей, выходных сигнальных цепей и цепей питания между собой, в том числе между каналами.

Питание на барьеры искробезопасности может подаваться как через клеммы, так и через специально предназначенные шинные соединители (модификации КА5131Ех-10 и -11). Питание через шинные соединители целесообразно применять, когда в шкафу НКУ на одной DIN-рейке рядом располагается много барьеров искробезопасности.

Применение узких барьеров искрозащиты КА5132Ех (ширина корпуса 12,5 мм, ширина одного канала 6,25 мм) обеспечивает значительную экономию места на DIN-рейке в шкафах

Функции барьеров искрозащиты

  • Измерение по двум каналам входных активных сигналов (4…20) мА и их преобразование в активные выходные сигналы (4…20) мА. Дополнительное питание выходных сигналов не требуется
  • Передача сигнала (4…20) мА от источников сигнала (контроллеров, регуляторов, иных приборов), расположенных во взрывобезопасной зоне, к приёмникам (мембранным исполнительным механизмам, частотным приводам, регуляторам мощности и т.п.), расположенным во взрывоопасных зонах
  • Гальваническая изоляция между собой цепей вход-выход-питание, в том числе между каналами

Общие сведения

  • Высокая точность преобразования 0,1 %
  • Передача сигнала (4…20) мА на удалённые вторичные приборы по стандартным электротехническим проводам
  • Защита от электромагнитных помех при передаче сигналов на большие расстояния
  • Питание на барьеры может подаваться как через клеммы, так и через специально предназначенные шинные соединители (модификация КА5131Ех-1Х)
  • Винтовые клеммы и шинные соединители обеспечивают простой монтаж
  • Экономия места в монтажном шкафу – ширина корпуса 12,5 мм, ширина одного канала – 6,25 мм
  • Расширенный диапазон рабочих температур (-40…+70) °С

Область применения барьеров искрозащиты (барьеров искробезопасности)

Cистемы измерения, сбора и регистрации данных, контроля и регулирования в технологических процессах, в системах траспортировки и хранения в нефтяной, газовой, химической отраслях промышленности, при производстве лакокрасочной и спиртосодержащей продукции.

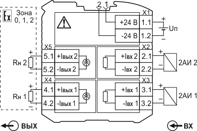
Схема подключения

контрават КА5132Ex

На схеме подключения использованы следующие обозначения:

2АИ 1, 2АИ 2 – источники сигнала с активным выходом с двухпроводной схемой подключения
Rн 1, Rн 2 – сопротивление нагрузки
Uп – источник постоянного напряжения от 18 до 30 В

Технические характеристики КА5132Ex

Количество входных каналов преобразования 2
Тип входного сигнала ток (4…20) мА, активный 
Характеристики искробезопасных цепей с маркировкой взрывозащиты [Ex ia Ga] IIC:
    Максимальное напряжение Um
    Максимальное выходное напряжение Uo
    Максимальный выходной ток Io
    Максимальная выходная мощность Po
    Максимальная внешняя емкость Co
    Максимальная внешняя индуктивность Lo
250 В
25,2 В
98 мА
0,62 Вт
0,09 мкФ
2 мГн
Тип выходного сигнала ток (4…20) мА, активный
Максимальный выходной ток  22 мА
Номинальное значение сопротивления нагрузки токового выхода (100 ±10) Ом
Допустимый диапазон сопротивлений нагрузки токового выхода (0…500) Ом
Гальваническая изоляция между собой цепей вход-выход-питание 1500 В, 50 Гц
Номинальное значение напряжения питания = 24 В
Допустимый диапазон напряжений питания (18…30) В
Потребляемая мощность, не более 3 Вт
Условия эксплуатации:
    Группа по ГОСТ Р 52931
    Температура
    Влажность (с конденсацией влаги)
С4, расширенный
(-40…+70) °С
100 % при 30 °С
Масса, не более 100 г
Габаритные размеры, не более (114,5 × 112,5 × 12,5) мм
Гарантия 36 месяцев