БП30Б-Д3-24С Овен

Производитель: Овен
Номер по каталогу: 14750 Производитель: Овен Цена: 6 649.00 q ( с НДС ) Описание: Одноканальный блок для питания стабилизированным напряжением 24 В DC широкого спектра радиоэлектронных устройств в условиях низких (до -40 ºС) и высоких (до +70 ºС) температур.
  • Техническое описание
  • Документация

Назначение блоков питания БП30Б-Д3-24С

Блок питания  БП30Б-Д3-24С предназначен для питания стабилизированным напряжением 24 В DC широкого спектра радиоэлектронных устройств (релейной автоматики, контроллеров, датчиков и т.п.) в условиях низких (до -40 ºС) и высоких (до +70 ºС) температур.

Применяется для построения систем электропитания различной сложности, в том числе распределенных.

Блок питания БП30Б-Д3 выпускается в корпусе с креплением на DIN-рейку типа Д3.

Основные функции

  • Расширенное климатическое исполнение. Блоки питания функционируют в диапазоне окружающих температур от -40 до +70 ºС. Во всем диапазоне сохраняется заявленная мощность.
  • Эффективное преобразование напряжения. КПД не менее 85 %.
  • Отсутствие негативного влияния на системы автоматики. Соответствуют международным нормам по помехоэмиссии и помехоустойчивости.
  • Режим стабилизации тока при превышении номинальной мощности (питание высокоемкостной нагрузки).
  • Регулировка выходного напряжения с помощью внутреннего подстроечного резистора в диапазоне ±8 % от номинального выходного напряжения с сохранением мощности.
  • Защита от перенапряжения и импульсных помех на входе.
  • Защита от перегрузки, короткого замыкания и перегрева.

Технические характеристики

Характеристика

БП30Б-Д3-24С

Входное напряжение

90...264 В переменного тока или 110...370 В постоянного тока

 

Частота входного переменного напряжения

47...63 Гц

 

Порог срабатывания защиты по току

1,2...1,4 Imax

Максимальная выходная мощность

30 Вт

Нестабильность выходного напряжения при изменении напряжения питания

±0,2 %

Нестабильность выходного напряжения при изменении тока нагрузки от 0,1 Imax до Imax

±0,2 %

Рабочий диапазон температур

–40...+70 oC

 

Коэффициент температурной нестабильности выходного напряжения в рабочем диапазоне температур

±0,015 %/oC

Электрическая прочность изоляции:

- вход — выход (действующее значение)

- вход — корпус (действующее значение)

 

 

 

3 кВ

 

3 кВ

 

 

Тип и габаритные размеры корпуса

Д3

Тип и габаритные размеры корпуса

54х90х58 мм

Степень защиты корпуса (со стороны передней панели)

IP20

 

Выходные параметры БП30

Модификация прибора

Выходное напряжение, В*

Амплитуда пульсации вых. напряжения, мВ

Макс. ток нагрузки Imax, А

БП30Б-Д3-24С

24±1 %

120

1,25

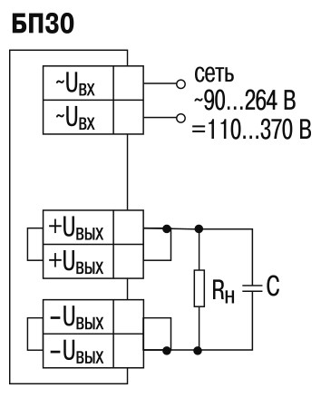
Схема подключения

Схема подключения ОВЕН БП30Б-Д3-24С

Маркировка

Обозначение при заказе ОВЕН БП30Б-Д3-24С

Документация


  • Руководство по эксплуатации БП30Б-Д3-24C: скачать...