ИБП60Б-Д9-24 Овен

Производитель: Овен
Номер по каталогу: 14753 Производитель: Овен Цена: 8 967.00 q ( с НДС ) Описание: Одноканальный блок питания 24В постоянного тока. Максимальная выходная мощность 60Вт. Для использования в качестве источника вторичного питания резервированного при работе от сети и от двух, последовательно соединенных, герметизированных свинцово-кислотных аккумуляторов.
  • Техническое описание
  • Документация

Назначение блока питания ИБП60Б-Д9-24

Источник бесперебойного питания ИБП60Б-Д9-24 предназначен для использования в качестве источника вторичного питания резервированного при работе от сети и от двух, последовательно соединенных, герметизированных свинцово-кислотных аккумуляторов.

Устройство и принцип действия ИБП60Б-Д9-24

  • Фильтр радиопомех на входе
  • Импульсный источник питания
  • Узел управления защитой, зарядом АКБ, индикацией
  • Ключ сигнализации типа «открытый коллектор»

Источник защищён от: перегрузки, короткого замыкания на выходе, обратной полярности подключения АКБ, глубокого разряда АКБ. На лицевой панели источника расположены световые индикаторы: наличия сети, состояния АКБ и выходного напряжения.

Источник изготавливается в пластмассовом корпусе с креплением на DIN-рейку. Корпус состоит из двух частей, соединяемых между собой при помощи защелки. Для обеспечения отвода тепла, выделяющегося при работе источника, на нижней и верхней гранях корпуса предусмотрены вентиляционные отверстия.

Технические характеристики

Входное напряжение, В:
– переменного тока
– постоянного тока

 

от 90 до 264

от 110 до 370
Частота входного напряжения, Гц от 47 до 63
Ток потребления от сети, А, не более 1,5
Мощность потребления от сети, ВА, не более 130

Выходное напряжение, В
– при работе от сети
– при работе от АКБ

 

от 25 до 27,6

от 19 до 27,2
Максимальный ток нагрузки, А 2
Амплитуда пульсации выходного напряжения при питании от сети, мВ, не более 120
Ток срабатывания защиты, А от 2,1 до 2,4
Количество АКБ 2*
Ток заряда АКБ, А, не более 0,5
Напряжение заряда АКБ, В, не более 27,6
Номинальная емкость АКБ, А*ч от 7,0 до 12,0
Номинальное напряжение АКБ, В 12
Напряжение отключения АКБ, В от 20,4 до 21,4
Напряжение коммутации ключа, В, не более 30
Ток коммутации ключа, мА, не более 50
Габаритные размеры (Ш × В × Г), мм, не более 157 × 90 × 58
Степень защиты корпуса IP20
Масса , кг, не более 0.7

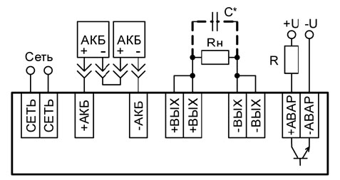
Схема подключения

Источник безперебойного питания ОВЕН ИБП60

Габаритные размеры

Габаритные размеры источника ИБП60Б-Д9-24

Комплектность

  1. ОВЕН ИБП60Б-Д9-24
  2. Руководство по эксплуатации
  3. Гарантийный талон

Документация

Руководство по эксплуатации ИБП60Б-Д9-24: скачать...