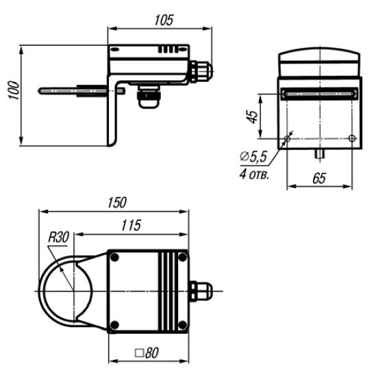
Клеммная коробка КК-01 предназначена для коммутации гидрометрического кабеля с трубкой опорного атмосферного давления от погружных датчиков уровня с любым обыкновенным информационным проводом диаметра 5-10мм.
Предотвращает попадание конденсата в трубку опорного атмосферного давления и окисление контактов коммутации информационных линий.
Рекомендуется к использованию совместно с ЛЮБЫМИ погружными преобразователями гидростатического давления.
Технические характеристики:

Общее руководство по эксплуатации на датчики ПД100-хх: скачать...
Краткая инструкция ПД100-ДГ: скачать...
Презентация ПД100 и ПД200: скачать...