МЭ110-220.3М Овен

Производитель: Овен
Номер по каталогу: 14643 Производитель: Овен Цена: 20 313.00 q ( с НДС ) Описание: Модуль ввода параметров электрической сети, для измерения напряжения, силы тока, частоты, мощности, фазового угла и коэффициента мощности в трехфазных сетях, преобразования измеренных параметров в цифровой код и передачи результатов измерений в сеть RS-485.
  • Техническое описание
  • Документация

Назначение модуля ввода параметров электрической сети МЭ110-220.3М

Прибор предназначен для измерения напряжения, силы тока, частоты, мощности, фазового угла и коэффициента мощности в трехфазных сетях, преобразования измеренных параметров в цифровой код и передачи результатов измерений в сеть RS-485.
Прибор может быть использован в составе измерительных систем контроля и управления технологическими процессами на промышленных предприятиях и на объектах жилищно-коммунального хозяйства.

• Безопасное функционирование важных технологических узлов (электрооборудования)
• Возможность ведения журнала изменений параметров питающей сети (при использовании МСД200 или СПК107)

Прибор не является Мастером сети, поэтому сеть RS-485 должна иметь Мастер сети, например, ПК с запущенной на нем SCADA-системой, контроллер или регулятор.
К прибору предоставляется бесплатный ОРС-драйвер и библиотека стандарта WIN DLL, которые рекомендуется использовать при подключении прибора к SCADA-системам и контроллерам других производителей.
Конфигурирование прибора осуществляется на ПК через адаптер интерфейса RS-485/RS-232 или RS-485/USB (например, ОВЕН АСЗ-М или АС4) с помощью программы «Конфигуратор М110», входящей в комплект поставки.
Прибор отвечает требованиям по устойчивости к воздействию помех в соответствии с ГОСТ Р 51522 для оборудования класса А.

Технические характеристики:

Наименование

Значение

Питание

Напряжение питания от сети переменного тока, В

от 90 до 264

частотой от 45 до 65Гц

Потребляемая мощность, ВА, не более

7,5

Измерение фазного напряжения

Входной сигнал (действующее значение)

С использованием внешних трансформаторов напряжения

~ (1...400) В, от 45 до 65 Гц

~ (1×10-3...4000×103) В, от 45 до 65 Гц

Максимальное допустимое значение, не более 1 сек

800 В

Основная приведенная погрешность измерений

0,15 %

Разрешающая способность, В

0,1

Входное сопротивление, кОм, не менее

500

Время опроса входа, сек, не более

1

Количество каналов измерения

3

Измерение линейного напряжения (межфазного)

Входной сигнал (действующее значение)

С использованием внешних трансформаторов напряжения

~ (2...580) В, от 45 до 65 Гц

~ (2×10-3...5800×103) В, от 45 до 65 Гц

Максимальное допустимое значение, не более 1 сек

800 В

Основная приведенная погрешность измерений

0,5 %

Разрешающая способность, В

0,1

Входное сопротивление, кОм, не менее

500

Время опроса входа, сек, не более

1

Количество каналов измерения

3

Измерение силы тока

Входной сигнал (действующее значение), А

С использованием внешних трансформаторов тока, А

от 0,005 до 5

от 0,005×10-3до 50×103

Максимальное допустимое значение, не более 1 сек

10 А

Основная приведенная погрешность измерений

0,15 %

Время опроса входа, сек, не более

1

Разрешающая способность, А

0,001

Входное сопротивление, Ом, не более

0,01

Количество каналов измерения

3

Измерение полной, активной и реактивной мощности

Входной сигнал (действующее значение), кВт, кВА, кВАр

С использованием внешних трансформаторов (напряжения/ток)

от 0,02 до 2

от 0,2×10-6 до 200×109

Основная приведенная погрешность измерений

0,2 %

Время вычисления, сек, не более

1

Разрешающая способность, Вт, ВА, Вар

1

Количество каналов измерения

3

Измерение частоты первой гармоники

Действующая частота первой гармоники, Гц

от 45 до 65

Основная приведенная погрешность измерений

0,15 %

Время опроса входа, сек, не более

1

Разрешающая способность, Гц

0,01

Количество каналов измерения (активный)

1

Измерение коэффициента мощности cosφ

Диапазон измерения (в рабочем диапазоне мощности)

от 0 до 1

Основная погрешность измерений

1,0 %

Время вычисления, сек, не более

1

Разрешающая способность

0,01

Количество каналов измерения

3

Измерение фазового угла

Диапазон измерения (в рабочем диапазоне напряжений)

от 10° до 170°

Основная погрешность измерений

0,4 %

Время опроса входа, сек, не более

1

Разрешающая способность

Количество каналов измерения

3

Интерфейс связи RS-485

Скорости обмена, бит/сек

2400, 4800, 9600, 14400, 19200, 28800, 38400, 57600, 115200

Протоколы связи

ОВЕН; ModBus-RTU;
ModBus-ASCII; DCON

Входное сопротивление, кОм

12

Конструктивное исполнение

Степень защиты корпуса

IP20

Габаритные размеры прибора (Приложение А), мм

(96×73×110) ±1

Масса прибора, кг, не более

0,5

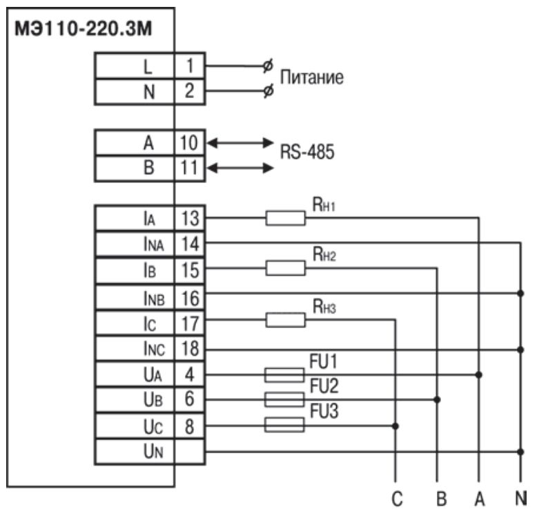
Подключение прибора к трехфазной сети через согласующие трансформаторы:

Подключение прибора к трехфазной сети (FU1, FU1, FU3 – плавкие предохранители 1,0 А / 600 В (типа ВПТ6-33)):

Комплектация:

  1. Модуль ввода параметров электрической сети МЭ110-220.3М
  2. Паспорт и руководство по эксплуатации
  3. Гарантийный талон

Документация:

Руководство по эксплуатации МЭ110-220.3М: скачать...

Описание утилиты программатора: скачать...